ÒøÓéÓÅÔ½»á×ÊѶ FOVO NEWS
20190508
ƾ֤ÇéÐα£»£»£»¤²¿¡¶ÆóÒµÊÂÒµµ¥Î»ÇéÐÎÐÅÏ¢¹ûÕæ²½·¥¡·¼°¡¶ÅÅÎÛÔÊÐíÖ¤¡·Ïà¹ØÒªÇó£¬ÒøÓéÓÅÔ½»áÏÖ½«µÚÒ»¼¾¶ÈÇéÐμà²â±¨¸æÐÅÏ¢¹«Ê¾ÈçÏ£º
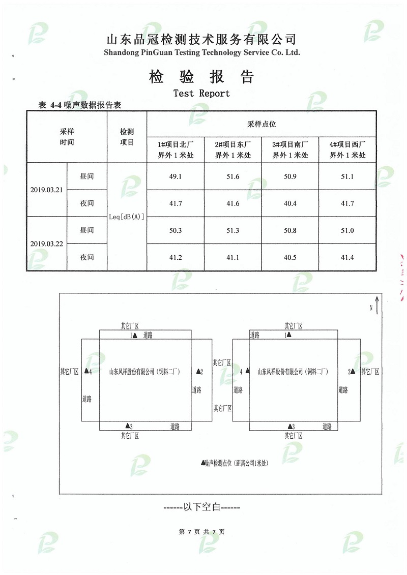
ËÇÁ϶þ³§ ·ÏÆø·ÏË®ÔëÉù¼ì²â±¨¸æ









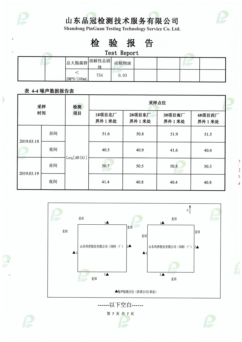
ËÇÁÏÒ»³§ ·ÏÆø·ÏË®ÔëÉù¼ì²â±¨¸æ








